电梯阁

 找回密码
 立即注册

QQ登录

只需一步,快速开始

手机号码,快捷登录

特种设备公示信息查询平台各品牌电梯维修手机app手机号无法登陆点这里点击投放广告点击投放广告
点击投放广告otis维修手册点击投放广告富士达故障代码计算器点击投放广告
查看: 4|回复: 0
收起左侧

默纳克一体机如何检测驱动模块是否损坏

[复制链接]
发表于 2026-4-15 11:36 | 显示全部楼层 |阅读模式
若在使用过程中,出现 E02E03E04 等过电流故障,可以通过以下方法,判断驱动板是否损坏。
【检测方法】
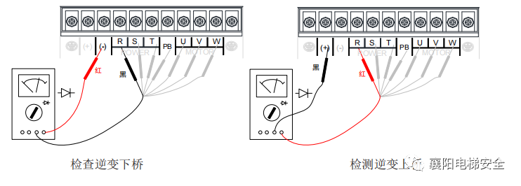
检测下桥是否导通数字万用表打到二级管档,红表笔对母线负端(-),黑表笔依次测量 RSTUVW PB。若测量 RST 时的,显示值一样或相近,测 UVW 时,显示值一样或相近,且显示值均在0.4~0.6 之间,说明驱动板正常;若有一组的万用表值是无穷大或短路,则为驱动板损坏。

640.jpg
检测上桥是否导通数字万用表打到二级管档,黑表笔对正母线正端(+),红表笔依次测量 RSTUVW PB。若测量 RST 时的,显示值一样或相近,测 UVW 时,显示值一样或相近,且显示值均在0.4~0.6 之间,说明驱动板正常;若有一组的万用表值是无穷大或短路,则为驱动板损坏。


您需要登录后才可以回帖 登录 | 立即注册

本版积分规则

免责声明:电梯阁所发布的一切电梯相关软件、调试说明、图纸等资料仅限用于学习和研究目的;不得将上述内容用于商业或者非法用途,否则,一切后果请用户自负。本站信息来自网络用户发表,版权争议与本站无关。您必须在下载后的24个小时之内,从您的硬盘中彻底删除上述内容。如果您喜欢该资料,请支持正版,得到更好的正版服务。如有侵权请邮件联系我们处理。

Mail To:diantige@126.com


关于我们|标签|Archiver|手机版|小黑屋|sitemap|电梯阁 ( 鲁ICP备10201653号 )

GMT+8, 2026-4-16 05:51 , Processed in 0.072317 second(s), 26 queries , Gzip On, Redis On.

Powered by 电梯阁

Copyright © 2017-2025. 电梯阁论坛.

快速回复 返回顶部 返回列表