电梯阁

 找回密码
 立即注册

QQ登录

只需一步,快速开始

手机号码,快捷登录

特种设备公示信息查询平台各品牌电梯维修手机app手机号无法登陆点这里点击投放广告点击投放广告
点击投放广告otis维修手册点击投放广告富士达故障代码计算器点击投放广告
查看: 855|回复: 0
收起左侧

垂直电梯曳引机的安装和调整技术资料

[复制链接]
发表于 2022-9-16 09:01 | 显示全部楼层 |阅读模式
5.1 无齿轮曳引机及悬挂系统的安装5.1.1 确认中心位置确认机房楼板预留的曳引绳孔中心与井道样板架上的轿顶轮轮缘中心和对重轮轮缘中心是否重合,若不重合应修正。另外,该孔尺寸应为200mm×200mm,以保证曳引绳与孔边的距离不小于20mm。
5.1.2 混凝土基础要求搁机梁两端应架设在井道承重圈梁上,在该位置浇筑高600mm的混凝土基础。对该基础的要求是:
1)按电梯土建总体布置图确定混凝土基础的位置和长度。
2)该基础必须完全置于井道承重圈梁上。
3)两基础的高度差(水平差)应不大于5mm。
4)基础应浇筑密实。
5.1.3 搁机梁架设时的注意事项1)搁机梁中心线与轿厢Y向中心线应平行。
2)搁机梁架设时,两端应垫10#槽钢,搁机梁两端深入基础内的长度≥75mm,且超过基础中心线20mm以上,如图1-12所示。
3)两条搁机梁的平行度误差应小于6mm,水平度误差应小于1mm/1000mm。
5.1.4 搁机要求把曳引机机架安放在搁机梁上,曳引机机架的孔与搁机梁上的孔应对齐,各孔穿入紧固螺栓。
1-2001141K14NA.jpg
图1-12 架设搁机梁
5.1.5 曳引机的位置将曳引机通过机房顶部的吊钩用2t的手拉葫芦吊起置于机架上,如图1-13所示。
1)曳引机顶面吊环螺钉只承受曳引机本身重量,不允许悬吊额外载重。
2)曳引机底座应保持水平,起吊时不准碰撞,防止损坏曳引机。
1-2001141K204316.jpg
图1-13 曳引机的位置
5.1.6 曳引机放置要求把曳引机安放在曳引机机架上,曳引机机座的孔与机架上的孔应对齐,各孔穿入M24紧固螺栓(螺栓的强度等级为12.9,拧紧力矩为880N·m,待曳引机调整完毕时拧紧)。按照样板架调整好曳引机的水平安装位置。
5.1.7 安装导向轮曳引机安放固定好后,安装导向轮。按照样板架调整好导向轮的位置,用两组U形螺栓加以固定,导向轮与曳引轮的轮缘中线的位置偏差应小于0.5mm,如图1-14所示。
5.1.8 曳引机的校正1)校正曳引轮的垂直度。在曳引轮的内侧(靠近齿轮箱的一侧)置一条样线,要求上沿与下沿的垂向位置偏差小于0.5mm,如图1-15所示。若超差,可用垫片加以调整。
1-2001141K220336.jpg
图1-14 导向轮的安装
1—导向轮 2—U形螺栓 3—承重梁 4—曳引轮
1-2001141K23S52.jpg
图1-15 无减振垫曳引机曳引轮的安装
2)在曳引轮轮缘的中心置一条铅垂线,该样线必须与曳引轮轮缘中线和节径的交点重合。将该样线延伸至样板架上的轿顶轮轮缘中心,与轿顶轮轮缘中线的相对位置误差应小于1mm。
3)曳引轮轮缘中线与对重轮轮缘中线的相对误差应小于1mm。
4)在确认校正到位后,紧固所有紧固件并再一次复查,确认无误后,再用混凝土浇筑密实。在浇筑混凝土前,部分点焊,工字钢与槽钢的焊接长度为20~30mm,要求无虚焊并清除焊渣。
5.1.9 安装防震挡块在曳引机机架的导向轮侧安装防震挡块,以防止曳引机后移,如图1-16所示。
5.1.10 安装防跳绳架曳引机配有防跳绳架。安装好曳引绳后,调整防跳绳架,使曳引绳和防跳绳架的间距不超过1.5mm。
5.1.11 试运行检查曳引机是否已经加好了润滑油,在工作3300h以后要求重新润滑主轴承。
通电试机时一定要接入变频器。
弹簧制动器出厂时已经调整好,在铭牌上可以看到预调整力矩。试机前要检查电动机和制动器的功能。
5.1.12 贴好标志完成上述安装校正后,在电动机尾轴端的机壳上及曳引轮轮缘处贴上轿厢可运行标志。
1-2001141K25K03.jpg
图1-16 安装防震挡块
5.2 有齿轮曳引机及悬挂系统的安装参照电梯土建总体布置图和随机文件。
5.2.1 确认中心位置确认机房楼板预留的曳引绳孔中心与井道样板架上的轿厢中心和对重中心是否重合,若不重合应修正。该孔尺寸应为200mm×200mm,以保证曳引绳与孔边的距离不小于20mm。
5.2.2 混凝土基础要求搁机梁两端应架设在井道承重圈梁上,在该位置浇筑高600mm的混凝土基础。对该基础的要求是:
1)以轿厢中心和对重中心的延长线为基准,按电梯土建总体布置图确定混凝土基础的位置和长度。
2)该基础必须完全置于井道承重圈梁上。
3)两基础的高度差(水平差)应不大于5mm。
4)基础应浇筑密实。
5.2.3 搁机梁架设时的注意事项1)搁机梁中心线与轿厢中心的延长线和对重中心的延长线应保持平行。
2)搁机梁架设时,两端应垫10#槽钢,搁机梁两端深入基础内的长度要大于75mm,且超过基础中心线20mm以上,如图1-12所示。
3)两条搁机梁的平行度误差应小于6mm,水平度小于1mm/1000mm。
4)搁机梁上所有孔位均是有效的,不允许在现场不经批准随意改动孔位。
5.2.4 曳引机的位置将曳引机用2t的手拉葫芦吊起置于搁机梁上的机架上。
5.2.5 起吊时的注意事项1)曳引机的起吊点应设在机座上的圆孔内,起吊中心应与曳引机中心重合,曳引机底座应保持水平。
2)起吊时不准发生碰撞,以防止损坏曳引机。
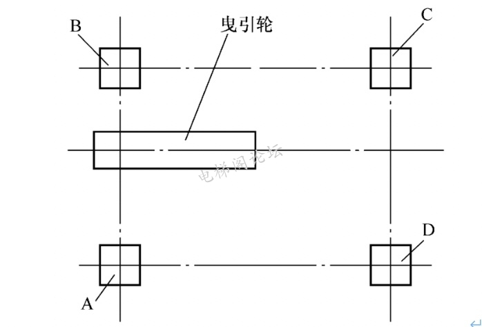
5.2.6 隔音垫布置方式 1-2001141K315P0.jpg
图1-17 隔音垫布置方式
搁机梁与机组底座之间应衬专用隔音垫,并采用专用件固定。隔音垫布置方式如图1-17所示,图中A、B、C、D为隔音垫。
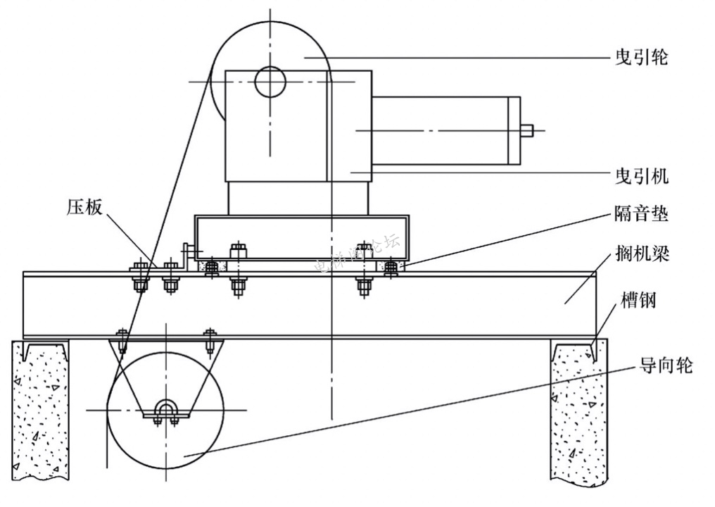
5.2.7 导向装置的安装在搁机梁底部规定的位置安装导向装置。该装置中导向轮座的大接触面端与搁机梁相连。注意:导向轮轴是坐在导向轮座上的,而不是吊于导向轮座上的。也就是导向轮轴的刨平面放在导向轮座小接触面的内平面上,U形螺栓由上往下穿于孔内,如图1-18所示。
1-2001141K3315U.jpg
图1-18 曳引机的放置方式(客梯)
5.2.8 曳引机的校正所有校正用垫片只允许放在搁机梁与槽钢之间。在校正前,所有附件都应安装到位。
1)校正曳引轮的垂直度。在曳引轮的内侧(靠近齿轮箱的一侧)置一条铅垂线,要求上沿与下沿的垂向位置偏差小于0.5mm(在曳引机无任何负载的条件下),超差时可用垫片调整。导向轮的垂直度与曳引轮的相同,但偏差方向必须一致。其校正方式是用垫片在轮轴刨平面与轮座内平面之间进行调整。
2)曳引轮与导向轮的平行度误差应小于1mm,可以通过左右移动搁机梁和移动导向轮座或导向轮轴来校正。
3)在曳引轮的中心置一条铅垂线。该铅垂线必须与曳引轮中心和节径交点重合。将该铅垂线延伸至样板架上的轿厢中心,与轿厢中心的相对位置误差应小于1mm。
4)导向轮中心与对重中心的校正方法及要求同曳引轮与轿厢中心的校正方法。
5)在确认校正到位后,紧固所有紧固件并再一次复查,确认无误后,再用混凝土浇筑密实。在浇筑混凝土前,部分点焊,工字钢与槽钢的焊接长度为20~30mm,要求无虚焊,并清除焊渣。
5.2.9 贴好标志完成上述安装校正后,在电动机尾轴端的机壳上及曳引轮轮缘处贴上轿厢可运行标志。
5.2.10 润滑曳引机出厂时已经加好润滑油。
曳引机用油:向减速器内注入润滑油或电梯专用油至油标中心线(约13.5L)。电动机和蜗轮轴轴承部位用润滑脂枪加入润滑脂。
5.3 无减振垫曳引机的安装无减振垫曳引机一般用于货梯。货梯一般不设导向轮,其安装方法可参考5.2节的有关步骤,放置方式如图1-19所示。
1-2001141K351401.jpg
图1-19 无减振垫曳引机的放置方式(货梯)

本帖被以下淘专辑推荐:

您需要登录后才可以回帖 登录 | 立即注册

本版积分规则

免责声明:电梯阁所发布的一切电梯相关软件、调试说明、图纸等资料仅限用于学习和研究目的;不得将上述内容用于商业或者非法用途,否则,一切后果请用户自负。本站信息来自网络用户发表,版权争议与本站无关。您必须在下载后的24个小时之内,从您的硬盘中彻底删除上述内容。如果您喜欢该资料,请支持正版,得到更好的正版服务。如有侵权请邮件联系我们处理。

Mail To:diantige@126.com


关于我们|标签|Archiver|手机版|小黑屋|sitemap|电梯阁 ( 鲁ICP备10201653号 )

GMT+8, 2026-4-11 07:13 , Processed in 0.368996 second(s), 28 queries , Gzip On, Redis On.

Powered by 电梯阁

Copyright © 2017-2025. 电梯阁论坛.

快速回复 返回顶部 返回列表