电梯阁

 找回密码
 立即注册

QQ登录

只需一步,快速开始

手机号码,快捷登录

各型号电梯维修app特种设备公示信息查询平台点击投放广告点击投放广告点击投放广告
点击投放广告otis维修手册点击投放广告富士达故障代码计算器点击投放广告
查看: 5138|回复: 0
收起左侧

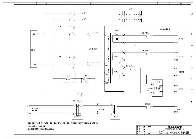
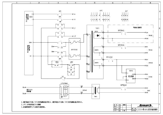
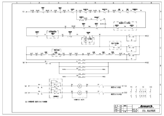
默纳克 NICE 3000电气原理图

[复制链接]
发表于 2020-2-21 17:06 | 显示全部楼层 |阅读模式
导读:温馨提示图多比较费流量【图多 可以收藏慢慢看】

本文主要涉及以下内容:

1、默纳克 NICE3000电气原理图工艺标注

2、默纳克 NICE3000图纸

006cw85jjw1ewlzy00u7gj31kw147ahh.jpg 006cw85jjw1ewlzy0mgo0j31kw14715f.jpg 006cw85jjw1ewlzy1fa3pj31kw14743l.jpg 006cw85jjw1ewlzy227clj31kw147jww.jpg 006cw85jjw1ewlzy340o7j31kw147tem.jpg 006cw85jjw1ewlzy3pmptj31kw147n80.jpg 006cw85jjw1ewlzy508mtj31kw147jzt.jpg 006cw85jjw1ewlzy5mxvxj31kw1477ay.jpg 006cw85jjw1ewlzy6j92qj31kw147tek.jpg 006cw85jjw1ewlzxr4b5nj31kw14742k.jpg 006cw85jjw1ewlzxsiwcoj31kw147gqf.jpg 006cw85jjw1ewlzxtcxpyj31kw14710n.jpg 006cw85jjw1ewlzxu0gbyj31kw147aju.jpg 006cw85jjw1ewlzxvadzij31kw1477dj.jpg 006cw85jjw1ewlzxw928ij31kw147doz.jpg 006cw85jjw1ewlzxwy2o9j31kw147dnt.jpg 006cw85jjw1ewlzxy4rbbj31kw147qcp.jpg 006cw85jjw1ewlzxyzx1hj31kw147gut.jpg
您需要登录后才可以回帖 登录 | 立即注册

本版积分规则

免责声明:电梯阁所发布的一切电梯相关软件、调试说明、图纸等资料仅限用于学习和研究目的;不得将上述内容用于商业或者非法用途,否则,一切后果请用户自负。本站信息来自网络用户发表,版权争议与本站无关。您必须在下载后的24个小时之内,从您的硬盘中彻底删除上述内容。如果您喜欢该资料,请支持正版,得到更好的正版服务。如有侵权请邮件联系我们处理。

Mail To:diantige@126.com


关于我们|标签|Archiver|手机版|小黑屋|sitemap|电梯阁 ( 鲁ICP备10201653号 )

GMT+8, 2025-10-2 06:29 , Processed in 0.071495 second(s), 27 queries , Gzip On, Redis On.

Powered by 电梯阁

Copyright © 2017-2025. 电梯阁论坛.

快速回复 返回顶部 返回列表