电梯阁

 找回密码
 立即注册

QQ登录

只需一步,快速开始

手机号码,快捷登录

特种设备公示信息查询平台各品牌电梯维修手机app手机号无法登陆点这里点击投放广告【电梯术语速查】小程序
点击投放广告otis维修手册点击投放广告富士达故障代码计算器点击投放广告
查看: 41|回复: 0
收起左侧

默纳克系统怎样改输入点,怎样监测输入信号是否有效,没有图纸怎样快速找到对应输入点

[复制链接]
发表于 2026-4-15 11:50 | 显示全部楼层 |阅读模式
640.jpg
640.jpg
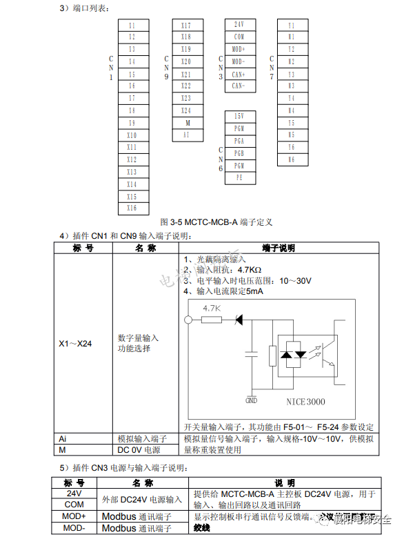
电梯主板都是由输入,输出组成

默纳克输入主要是CN1 X1-X24为信号输入

640.jpg
一般情况下输入点功能设置
输入点
功能
参数
X1
上平层
F5-01   01/33
X2
门区
F5-02   03/35
X3
下平层
F5-03   02/34
X4
安全回路反馈常开输入
F5-04    04
X5
门锁回路反馈常开输入F5-05    05
X6
运行输出反馈
F5-06     06/38
X7
抱闸输出反馈
F5-07    07/39
X8
检修信号常开输入
F5-08    08
X9
检修上行常开输入
F5-09    09
X10
检修下行常开输入
F5-10    10
X11
上限位常闭输入
F5-11   44
X12
下限位常闭输入
F5-12   45
X13
上1减速常闭输入
F5-13   48
X14
下1减速常闭输入
F5-14  49
X15
上2减速常闭输入
F5-15  50
X16
下2减速常闭输入
F5-16  51
如果没有图纸或者不知道输入点设置怎么办?


比如说想知道抱闸反馈是哪个点

1、检修状态用手按抱闸接触器,观察X几灯会闪就是哪个点

2、用调试器插上看F5-F21参数  其中参数为07/39的为抱闸反馈


如果X1输入点坏了想改个点怎么办?

1、比如X20没有用,可以把X1的线改到X20
2、用调试器看看F5-01参数是多少比如为01,先把F5-01参数改为0
3、用调试器把F5-20参数改成01就可以了


什么叫做反馈?

比如运行接触器反馈,主板给接触器一个输出信号,接触器吸合了,主板怎么知道接触器吸合了呢?所以在运行接触上一组常开点或者常闭点接一组线一端接24+ 一端接到比如输入点X6 , 如果接的是常开点(F5-06设置为06)接触器吸合X6就会亮//如果接的是常闭点(F5-06设置为38)接触器不吸X6就会亮,吸合X6就不亮。主板又通过X6信号的输入知道接触器是否吸合的,x6就是运行接触器的反馈点


一般输入出现的问题?

输入点全部不亮?

检查24v开关电源是否工作正常


输入点有信号输入感觉不正常怎么检查?

用调试器进如F5-34 /35 通过控制输入点的亮或灭在系统内查看信号有没有效
对应数码管的亮灭



640.jpg
640.jpg

您需要登录后才可以回帖 登录 | 立即注册

本版积分规则

免责声明:电梯阁所发布的一切电梯相关软件、调试说明、图纸等资料仅限用于学习和研究目的;不得将上述内容用于商业或者非法用途,否则,一切后果请用户自负。本站信息来自网络用户发表,版权争议与本站无关。您必须在下载后的24个小时之内,从您的硬盘中彻底删除上述内容。如果您喜欢该资料,请支持正版,得到更好的正版服务。如有侵权请邮件联系我们处理。

Mail To:diantige@126.com


关于我们|标签|Archiver|手机版|小黑屋|sitemap|电梯阁 ( 鲁ICP备10201653号 )

GMT+8, 2026-4-21 16:33 , Processed in 0.136908 second(s), 27 queries , Gzip On, Redis On.

Powered by 电梯阁

Copyright © 2017-2025. 电梯阁论坛.

快速回复 返回顶部 返回列表