电梯阁

 找回密码
 立即注册

QQ登录

只需一步,快速开始

手机号码,快捷登录

特种设备公示信息查询平台各品牌电梯维修手机app手机号无法登陆点这里点击投放广告点击投放广告
点击投放广告otis维修手册点击投放广告富士达故障代码计算器点击投放广告
查看: 5|回复: 0
收起左侧

老电梯如果没有图纸安全回路怎么封

[复制链接]
发表于 2026-4-15 11:32 | 显示全部楼层 |阅读模式
如果没有图纸安全回路怎么封
很多情况下修老电梯都是没有图纸的,我们怎么封安全呢?一种是有安全接触器,一种是强电检测电路
1.带安全接触器封线 640.jpg
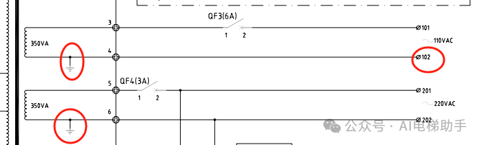
通过图纸我们知道安全回路通就是101和130接通,没有图纸我们不好找101,可是控制柜内变压器很好找,102和安全、门锁、运行接触器的一端和地都接在一起,用万用表蜂鸣档很容易判断
640.jpg
另一端我们可以直接把变压器上的另一端101直接和安全接触器A1直接相连,安全就通了。
有人就会说我安全接触器用起子按下去,不也通了吗?
虽然把安全接触器人为接通,接触器上的反馈点会给主板一个信号,主板不会报安全回路断开,但是运行接触器抱闸接触器的供电都是安全回路的电来供电,安全回路不通电压过不来,运行安全接触器不会吸合,电梯不会运行。
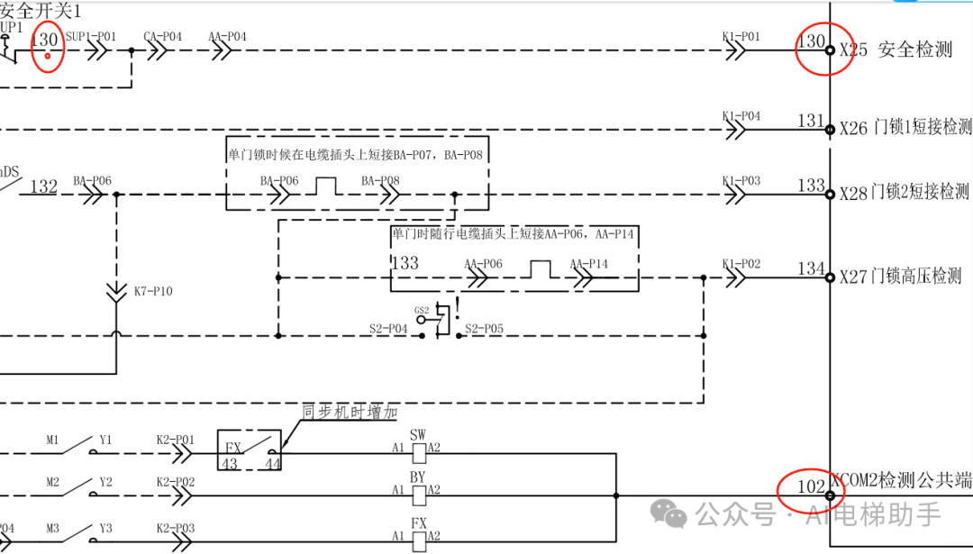
640.jpg 2.无安全接触器,强电检测
640.jpg
640.jpg
强电检测其实是一样的,还是找变压器,找101,找到101后把101和X25X短接起来,安全就通了。
如果安全通门锁不通,怎么办?把X25-X26短接门锁就通了
其实现在新电梯上都带有旁路
旁路
所谓旁路就是一个专用按钮或者插针,短接安全或者门锁的时候电梯强制检修,可以更便捷的实现电梯封安全或门锁,避免维修后短接线忘记拿了。

您需要登录后才可以回帖 登录 | 立即注册

本版积分规则

免责声明:电梯阁所发布的一切电梯相关软件、调试说明、图纸等资料仅限用于学习和研究目的;不得将上述内容用于商业或者非法用途,否则,一切后果请用户自负。本站信息来自网络用户发表,版权争议与本站无关。您必须在下载后的24个小时之内,从您的硬盘中彻底删除上述内容。如果您喜欢该资料,请支持正版,得到更好的正版服务。如有侵权请邮件联系我们处理。

Mail To:diantige@126.com


关于我们|标签|Archiver|手机版|小黑屋|sitemap|电梯阁 ( 鲁ICP备10201653号 )

GMT+8, 2026-4-16 11:47 , Processed in 0.073582 second(s), 28 queries , Gzip On, Redis On.

Powered by 电梯阁

Copyright © 2017-2025. 电梯阁论坛.

快速回复 返回顶部 返回列表