电梯阁

 找回密码
 立即注册

QQ登录

只需一步,快速开始

手机号码,快捷登录

特种设备公示信息查询平台各品牌电梯维修手机app手机号无法登陆点这里点击投放广告【电梯术语速查】小程序
点击投放广告otis维修手册点击投放广告富士达故障代码计算器点击投放广告
查看: 43|回复: 0
收起左侧

默纳克3000标准图纸-安全回路详解

[复制链接]
发表于 2026-4-15 11:32 | 显示全部楼层 |阅读模式
默纳克3000安全回路详解
安全回路
电梯安全回路是指在电梯控制系统中,为保障电梯安全运行而用一系列安全开关或安全触点组成的回路,一般开关都串联在一起,用于实时监控和保证电梯运行的安全性。安全回路的主要作用是在电梯运行过程中实时监测电梯的状态,一旦检测到任何异常或潜在的危险情况,系统能够及时中断电梯的运行,保护乘客和设备的安全。

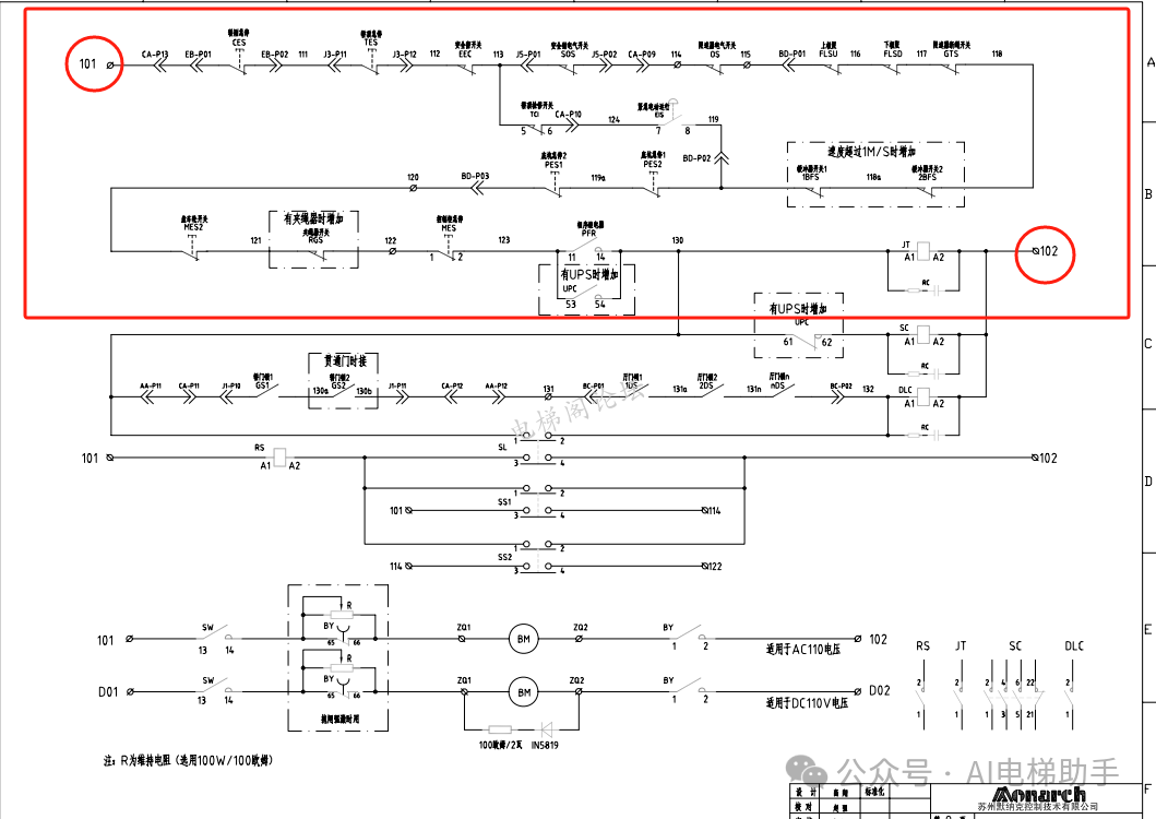
下图是安全、门锁、抱闸回路图纸,我们主要看安全回路方面主要是101-102这一段
640.jpg
  • 1
                        **图1**
640.jpg
                            图2
由电源供电我们可以看出,安全回路供电是经过变压器TRF1由AC380变为DC110V,AC110V和AC220V,其中AC110V是安全回路供电线标为101-102
其中102与地相连
640.jpg
接地保护
接地保护(Grounding Protection)是一种电气安全保护措施,其目的是通过将电气设备的金属外壳或非带电部分接到地面(地线),使得在设备出现漏电或电气故障时,电流能够通过地线安全地流向大地,从而减少电击、火灾和设备损坏的风险
举个例子:当地坑缓冲器开关线刮破接地后,相当与101-102相连会产生大电流,QF3 AC110V空开会跳,如果不查到短路点,空开送不上,从而实现保护功能。

当安全回路不通检查顺序

1. 如果电梯有紧急电动功能
先打紧急电动看看安全通不通,如果打紧急电动安全回路通,那就查下图几个开关
640.jpg 紧急电动
由上图可知紧急电动功能就是短接一部分安全回路,限速器开关、安全钳开关、缓冲器开关、夹绳器开关,上下极限开关。(注:涨紧轮开关不在紧急电动范围内)

2. 如果打紧急电动还是不通,
先用万用表交流档打101-102看看是否有AC110V电压。如果没有AC110V电压,那就查变压器的进线380V是不是有,保险空开是不是跳了,先确保101-102有电压。

3. 如果101-102有电压,用万用表或者短接线根据下图快速找出故障点
640.jpg
640.jpg

3.1 用万用表测量,在机房控制柜内,万用表打交流档,一个表笔接地(控制柜铁的地方都可以)另一个表笔测控制柜端子排或者插件通的都是要AC110V电压的,不通的没有电压
640.jpg
比如上图打120有电压,说明101-120是通的,打122不通,那就是120-122不通,那就查看盘车轮和夹绳器开关。

3.2用短接线短接,在机房控制柜内,短接线一端接101,另一端先接130或者122也就是全封,先看安全回路通不通,如果全封通了,在减少封的位置。
假如封101-122通,101-120不通,那就查看 120-122一段的开关
640.jpg
4.如果安全全封还不通
那就用万用表量安全接触器A1-A2看看是否有AC120V电压如果有电压说明接触器坏了,更换接触器。如果没有电压线没有封好重新封
到这里安全回路应该都查通了

5.其它说明
查安全回路时候找不到测量或封线端子怎么办?
640.jpg
有图纸的情况可以看看插件AA上有114/124 BD上有120/115/120,这些都可以当做测试点和封线端子
封线特别提醒,封线一定要看好图纸,如果一端接101一端风险比如接入了AB 301里面,301是直流24V,把高压接入主板,造成主板损坏
用万用表测量则不会,孔位插错不会有太大影响
您需要登录后才可以回帖 登录 | 立即注册

本版积分规则

免责声明:电梯阁所发布的一切电梯相关软件、调试说明、图纸等资料仅限用于学习和研究目的;不得将上述内容用于商业或者非法用途,否则,一切后果请用户自负。本站信息来自网络用户发表,版权争议与本站无关。您必须在下载后的24个小时之内,从您的硬盘中彻底删除上述内容。如果您喜欢该资料,请支持正版,得到更好的正版服务。如有侵权请邮件联系我们处理。

Mail To:diantige@126.com


关于我们|标签|Archiver|手机版|小黑屋|sitemap|电梯阁 ( 鲁ICP备10201653号 )

GMT+8, 2026-4-21 16:33 , Processed in 0.073319 second(s), 26 queries , Gzip On, Redis On.

Powered by 电梯阁

Copyright © 2017-2025. 电梯阁论坛.

快速回复 返回顶部 返回列表