电梯阁

 找回密码
 立即注册

QQ登录

只需一步,快速开始

手机号码,快捷登录

各型号电梯维修app特种设备公示信息查询平台点击投放广告点击投放广告点击投放广告
点击投放广告otis维修手册点击投放广告富士达故障代码计算器点击投放广告
查看: 35|回复: 0
收起左侧

默纳克电梯故障排行榜

[复制链接]
发表于 2025-8-5 12:16 | 显示全部楼层 |阅读模式
你维保的默纳克系统电梯遇到的最多的故障是什么?
E42门锁断开?
E53门锁故障?
光幕太多灰电梯门关不上?
地坎里又掉进去了螺丝帽、小石子?
手贱的熊孩子瞎按消防按钮?
根据相关数据统计,最后得出下面的结论。
第一多的是E41,安全回路断开故障,而断开安全回路作为每次维保的必备手段,因此E41故障最多并不让人奇怪
第二多的是E55:换层停靠故障。
第三多的是E42:运行中门锁断开故障。
第四多的是E38:旋转编码器信号异常。
所以,大家都知道以后该注意哪里了吧。
默纳克E41
故障代码:Err41
故障子码:
101:安全回路信号断开
排查方法:
检查安全回路各开关,查看其状态
检查外部供电是否正确
检查安全回路接触器动作是否正确
检查安全反馈触点信号特征(NO/NC)
在此故障下,断电上电后,主板显示屏不亮
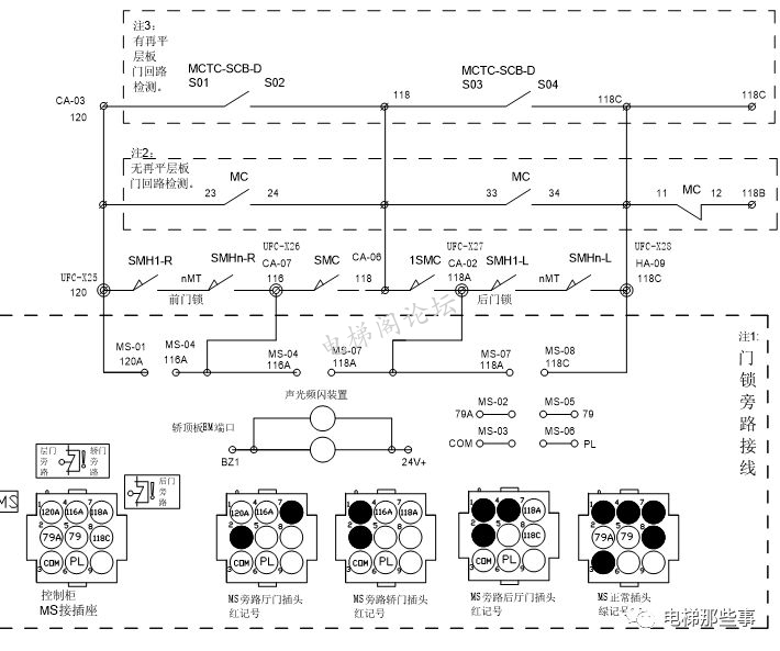
安全回路接线图
这是默纳克不带有新国标功能的安全门锁回路接线图,接线方式各个公司有不同的设计,以现场接线图为准。
220023616_1_2021041410145650.jpg
其中主控板为控制器上的主板,该控制器设计了三个高压检测点(X25、X26、X27),分别用作安全检测、层门锁检测、轿门锁检测。
安全回路由柜内变压器供电,电压为 AC110V。如图示,当出现以下几种情况时,安全回路断开:
1) R、S、T 三相输入相序有误时(部分新功能控制柜已经取消相序保护,无此项);
2) 柜内急停打开时;
3) 电梯系统中,安全部件电气开关断开时。
4)检查变压器供电
5)检查24伏开关电源
电梯在启动时,当且仅当三个高压点输入正常(即三个高压检测灯全亮时),即安全回路、门锁回路均正常时,电梯才可以正常运行。
默纳克E55
Err55换层停靠故障
子码101:自动运行开门过程中,开门时间大于FB-06开门保护时间,收不到开门到位信号
处理:监控该楼层开门到位信号(F5-35),检查轿顶板设置(F5-25)。检查门机开关门到位接线是否正确,门机参数是否设置正确
默纳克E42
Err42
运行中门锁断开
子码101、102:电梯运行过程中,门锁反馈无效
子码101、102:
检查门刀垂直度,门刀和门轮是否分中。
检查导靴和轿厢防晃装置是否过松,导致轿厢运行时晃动过大。
检查厅,轿门锁是否连接正常
检查门锁接触器动作是否正常
检查门锁接触器反馈点信号特征(NO/NC)
检查外围供电是否正常,(测量变压器输出电压,检查保险丝)
检查输入输出主电源供电电缆是否接触不良。(主电缆供电不好,会导致门锁变压器输入电压偶尔降低,门锁接触器电压不足)
220023616_2_20210414101456159.jpg
新国标门锁电路原理图
220023616_3_20210414101456300.jpg
老国标门锁电路原理图
其中主控板为控制器上的主板,该控制器设计了三个高压检测点(X25、X26、X27),分别用作安全检测、层门锁检测、轿门锁检测。(可自定义参数,新国标增加x28点为后门检测)
安全回路由柜内变压器供电,电压为 AC110V。
电梯在启动时,当且仅当三个高压点输入正常,即安全回路、门锁回路均正常时,电梯才可以正常运行。
默纳克故障E38:旋转编码器信号异常 故障原因这个的判断逻辑很简单。1实际运行方向和编码器方向相反,报故障主要是通过监控编码器信号和减速开关信号来实现的。正常情况,电梯上行时,脉冲数增大,下行脉冲数减小, 2长时间检测不到编码器信号,报故障最常见的是抱闸没打开。电机转不动,自然没有编码器反馈。 故障排查:1 电梯运行时,监控F4-03的值,应该上行增大,下行减小。否则修改F2-102 检查编码器,编码器线,pg卡等,是否损坏,导致信号传不到主板。3 检查抱闸是否打开,曳引机是否转动4 检查减速开关是否有接触不良的情况。5 上下减速开关是否装反了 故障子码
子码101:F4-03脉冲信号无变化时间超过F1-13时间值确认旋转编码器使用是否正确确认抱闸工作是否正常
子码102:电机下行,(F4-03)脉冲增加子码103:电机上行,(F4-03)脉冲减小确认旋转编码器参数设置是否正确,接线是否正常有效检查系统接地与信号接地是否可靠检查电机UVW相序是否正确
子码104:距离控制方式下,设定了开环运行修改参数(F0-00=1)
相关参数
参数参数含义
F1-13断线检测时间
F2-10运行方向选择
F4-03当前位置脉冲数

现场经验1、电梯一启动就报故障,重点看看抱闸是否打开了,曳引机是否旋转。 2、如果无法确认编码器是否损坏,有条件的情况下,可以溜车,监控F4-03是否有反馈信号。 3、只在顶层和底层报故障,可能是减速开关接触不良。电梯在底层向上运行,减速开关接触不良导致减速信号断开然后又马上接通。主板就会识别为,电梯上行的时候,下减速开关动作。
您需要登录后才可以回帖 登录 | 立即注册

本版积分规则

免责声明:电梯阁所发布的一切电梯相关软件、调试说明、图纸等资料仅限用于学习和研究目的;不得将上述内容用于商业或者非法用途,否则,一切后果请用户自负。本站信息来自网络用户发表,版权争议与本站无关。您必须在下载后的24个小时之内,从您的硬盘中彻底删除上述内容。如果您喜欢该资料,请支持正版,得到更好的正版服务。如有侵权请邮件联系我们处理。

Mail To:diantige@126.com


关于我们|标签|Archiver|手机版|小黑屋|sitemap|电梯阁 ( 鲁ICP备10201653号 )

GMT+8, 2025-10-7 06:42 , Processed in 0.124129 second(s), 28 queries , Gzip On, Redis On.

Powered by 电梯阁

Copyright © 2017-2025. 电梯阁论坛.

快速回复 返回顶部 返回列表