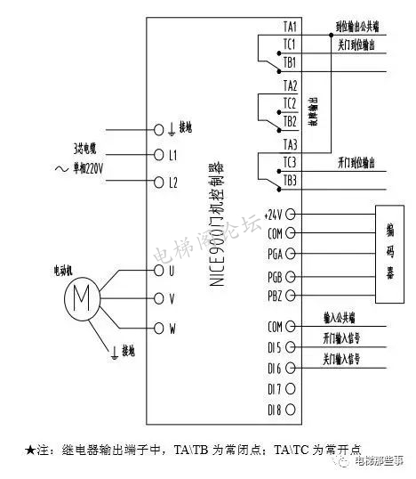
【注】为保证门机顺利调试,请按顺序执行以下步骤: 接线示意图 接线检查及电机调谐 【注】电机调谐前,首先判断编码器ABZ信号是否正确; 编码器信号检查 AB相信号检测 手动往开门方向拉动过程中,D2灯常亮,表示AB信号接入正确,否则交换AB相信号; Z相信号检测 在手动拉门过程中,D3灯有闪烁,表示Z信号接入正确; UVW输出线检测 编码器接线检查完成后,输入电机参数(F100-F105),编码器线数(F214),然后再进行电机调谐(面板显示“TUNE”,在关门到位位置按“OPEN”键启动电机调谐): A、如果电机一直堵转,则更换UVW中任两相,重新进行电机调谐; B、电机运行,先往开门方向运行一段距离,再往关门运行一段距离,反复运行3次等“TUNE”消失后调谐完成; 调谐步骤 门宽自学习 【注】F614为自学习的力矩判定,若自学习无法开门或关门到位,加大F614;若到位后出现皮带打滑,减小F614; 输入输出点设定 命令输入点: 功能码 | 名称 | 设定范围 | 设定 | F905 | 开关量输入端子DI5 | 1-116 | 1(开门命令) | F906 | 开关量输入端子DI6 | 1-116 | 2(关门命令) |
输出点: 功能码 | 名称 | 设定范围 | 设定 | F909 | 继电器输出TA1TB1TC1 | 1-11 | 2(关门到位输出) | F911 | 继电器输出TA3TB3TC3 | 1-11 | 1(开门到位输出) |
无法开门到位 F307 | 开门堵转到力矩保持切换点设置 | 0.0%~150.0%电机额定转矩 | 50.0% | ☆ | F308 | 开门到位保持力矩 | 0.0%~F307 | 50.0% | ☆ |
适当增大此两组参数; 关门受阻调试 1、根据时间调测(推荐) F502 | 关门时间限定 | 0.00~999.9s | 4.5s | ☆ |
无阻挡时若不能正常关门到位,则适当增大F502,保证无阻挡时可以关门到位。 2、根据力矩调测 F417 | 关门受阻高速设定 | F418~F104 | 12.00Hz | ☆ | F418 | 关门受阻低速设定 | 0.00Hz~F104 | 2.00Hz | ☆ | F419 | 高速受阻力矩设定 | 0.00~150.0% | 60.0% | ☆ | F420 | 低速受阻力矩设定 | 0.00~150.0% | 60.0% | ☆ |
建议F419、F420不要设置过小,不然容易误动作。 力矩保持设定 F504 | 外部开门命令延时时间 | 0~999.9s | 0.0s | ☆ | F505 | 外部关门命令延时时间 | 0~999.9s | 0.0s | ☆ |
【注】开门或关门到位后,需要力矩保持功能时,可适当增加上述功能码的值,当设置为999.9s时,无限延时; 门刀收刀 按照下表更改参数: F408 | 关门到位低速运行时间 | 1~9999ms | 0ms | ☆ | F409 | 收刀速度设定 | 0.00Hz~F403 | 6.00Hz | ☆ | F410 | 收刀运行时间 | 1~9999ms | 1500ms | ☆ | F620 | 关门到位时的脉冲设定 | 0~99.9% | 90.0% | ☆ |
收刀之前,厅门若有轻微撞门现象,稍微增大F620,保证不撞门,然后进行调整关门收刀速度和收刀时间。 时序:关门到F620设定的值时,输出关门到位0,同时进行收刀处理; 故障处理 故障显示 | 故障描述 | 故障原因 | 处理方法 | 备注 | Er32 | 速度偏差故障 | 1、负载过重,加减速过急; | 1、适当增大加减速时间; 2、设置F516(速度偏差设定)为0,即不检测速度偏差; |
|
常用参数 【注】属性一列: ★:运行中不可更改; ☆:停车或运行中均可更改; 控制方式参数和电机参数 功能码 | 名称 | 设定范围 | 出厂值 | 属性 | F000 | 控制方式 | 0:磁通矢量控制 1:闭环矢量控制 | 1 | ★ | F001 | 开关门方式选择 | 0:速度控制方式 1:距离控制方式 | 1 | ★ | F002 | 命令源选择 | 0:操作面板控制模式 1:门机端子控制模式 2:门机手动调试模式 3:门机自动演示模式 | 1 | ★ | F100 | 电机类型选择 | 0:异步电机 1:同步电机 | 1 | ★ | F101 | 电机额定功率 | 0~750W | 机型确定 | ★ | F102 | 电机额定电压 | 0~250V | 机型确定 | ★ | F103 | 电机额定电流 | 0.001A~9.900A | 机型确定 | ★ | F104 | 电机额定频率 | 1.00Hz~99.00Hz | 机型确定 | ★ | F105 | 电机额定转速 | 1~9999rpm | 机型确定 | ★ | F214 | 编码器脉冲数设定 | 1~9999 | 编码器确定 | ★ |
开门速度参数 功能码 | 名称 | 设定范围 | 出厂值 | 属性 | F300 | 开门启动低速设定 | 0.00Hz~F303 | 5.00Hz | ☆ | F301 | 开门启动加速时间 | 0.1~999.9s | 1.0s | ☆ | F302 | 速度控制开门启动低速运行时间 | 0.1~999.9s | 1.0s | ☆ | F303 | 开门高速设定 | 0.00Hz~F104 | 15.00Hz | ☆ | F304 | 开门加速时间 | 0.1~999.9s | 2.0s | ☆ | F305 | 开门结束低速设定 | 0.00Hz~F303 | 3.00Hz | ☆ | F306 | 开门减速时间 | 0.1~999.9s | 1.5s | ☆ | F307 | 开门堵转到力矩保持切换点设置 | 0.0%~150.0% | 50.0% | ☆ | F308 | 开门到位保持力矩 | 0.0%~150.0% | 50.0% | ☆ |
关门速度及受阻参数 功能码 | 名称 | 设定范围 | 出厂值 | 属性 | F400 | 关门启动低速设定 | 0.00Hz~F403 | 4.00Hz | ☆ | F401 | 关门启动加速时间 | 0.1~999.9s | 1.0s | ☆ | F402 | 速度控制关门启动低速运行时间 | 0.1~999.9s | 1.0s | ☆ | F403 | 关门高速设定 | 0.00Hz~F104 | 12.00Hz | ☆ | F404 | 关门加速时间 | 0.1~999.9s | 2.0s | ☆ | F405 | 关门结束低速设定 | 0.00Hz~F403 | 2.00Hz | ☆ | F406 | 关门减速时间 | 0.1~999.9s | 1.5s | ☆ | F407 | 关门到位低速设定 | 0.00Hz~F403 | 1.00Hz | ☆ | F408 | 关门到位低速运行时间 | 1~9999ms | 300ms | ☆ | F409 | 收刀速度设定 | 0.00Hz~F403 | 2.00Hz | ☆ | F410 | 收刀运行时间 | 1~9999ms | 500ms | ☆ | F411 | 关门堵转力矩切换点设置 | 0.0%~150.0% | 50.0% | ☆ | F412 | 关门到位保持力矩 | 0.0%~150.0% | 30.0% | ☆ | F415 | 关门受阻判定时间 | 0~9999ms | 500ms | ☆ | 12.2故障及处理方法故障显示 | 故障描述 | 故障原因 | 处理方法 | 备注 |
|
| 1、主回路输出接地或短路; | 1、排除接线等外部问题; |
| Er02 | 加速过电流 | 2、电机是否进行了参数调谐; | 2、电机参数调谐; |
|
| 3、负载太大; | 3、减轻突加负载; |
|
| 1、主回路输出接地或短路; | 1、排除接线等外部问题; |
| Er03 | 减速过电流 | 2、电机是否进行了参数调谐; 3、负载太大; | 2、电机参数调谐; 3、减轻突加负载; |
|
| 4、减速曲线太陡; | 4、调节曲线参数; | Er04 | 恒速过电流 | 1、主回路输出接地或短路; 2、电机是否进行了参数调谐; 3、负载太大; 4、旋转编码器干扰大; | 1、排除接线等外部问题; 2、电机参数调谐; 3、减轻突加负载; 4、选择合适旋转编码器, 采用屏蔽旋转编码器线; |
|
|
| 1、输入电压过高; | 1.调整输入电压; |
| Er05 | 加速过电压 | 2、制动电阻选择偏大; | 2.选择合适制动电阻; |
|
| 3、加速曲线太陡; | 3.调整曲线参数; |
|
| 1、输入电压过高; | 1、调整输入电压; |
| Er06 | 减速过电压 | 2、制动电阻选择偏大; | 2、选择合适制动电阻; |
|
| 3、减速曲线太陡; | 3、调整曲线参数; | Er07 | 恒速过电压 | 1、输入电压过高; 2、制动电阻选择偏大; | 1、调整输入电压; 2、选择合适制动电阻; |
| Er09 | 欠压保护 | 1、输入电源瞬间停电; 2、输入电压过低; 3、控制板异常; | 1、排除外部电源问题; 2、请与代理商或厂家联系; | 电 压 正 常 后 自 动复位 | Er10 | 系统过载 | 2、负载过大; | 1、检查电梯门导轨; 2、减小负载; |
| Er13 | 输出侧缺相 | 1、主回路输出接线松动; 2、电机损坏; | 1、检查连线; 2、排除电机故障; | 减速 停车 | Er14 | 模块过热 | 1、环境温度过高; 2、风扇损坏; 3、风道堵塞; | 1、降低环境温度; 2、清理风道; 3、更换风扇; | 可 自 动 复位 | Er16 | EEPROM 故障 | EEPROM 读写异常; | 请与代理商或厂家联系; |
| Er18 | 电流检测故障 | 驱动控制板异常; | 请与代理商或厂家联系; |
|
故障显示 | 故障描述 | 故障原因 | 处理方法 | 备注 | Er19 | 电机调谐超时 | 1、电机参数设定不对; 2、参数调谐超时; 3、同步机旋转编码器异常; | 1、正确输入电机参数; 2、检查电机引线; 3、检查旋转编码器接线, 确认每转脉冲数设置正确; |
| Er20 | 旋 转 编 码 器 故 障 | 1、旋转编码器型号是否匹配; 2、旋转编码器连线错误; | 1、选择开路集电极类型的 ABZ 相旋转编码器; 2、排除接线问题; |
| Er21 | 初 始 位 置 检 测 故障 | 检测电机参数是否设置正确 | 正确设置电机参数 |
| Er25 | 超速故障 | 1、开关门高速运行速度持续 50ms 大于设定速度的 20%; | 1、检查编码器接线; |
| Er26 | 参数设定提示 | 1、门宽自学习时,命令源(F002) 不是手动调试模式,或者开关门方 式选择(F001)不是距离控制方式; 2、驱动同步机时控制方式(F000) 选择磁通矢量控制方式; | 1、门宽自学习时,命令源 (F002)为手动调试模式, 或者开关门方式选择 (F001)距离控制方式; 2、控制同步机(F100)时, 选择控制方式(F000)为矢 量控制方式; | 仅 为 提 示 , 无 故 障 记 录 | Er27 | 门宽自学习 故障 | 1、门宽自学习学到的门宽数据小 于 20; 2、没有门宽自学习前,进行距离 控制运行; | 1、检查编码器接线和相关 参数; 2、检查门机机械系统; 3、距离控制运行前,进行 门宽脉冲自学习; |
| Er28 | 开门超时 | 1、开门限位信号故障或设置错误; 2、脉冲编码器断线; | 1、检查开门限位信号; 2、检查编码器接线; | 可自动 复位 | Er29 | 关门超时 | 1、电机运行方向与开门定义相反; 2、关门限位信号故障或设置错误; 3、脉冲编码器断线; | 1、更换电机接线相序或设 F004=1; 2、检查关门限位信号; 3、检查编码器接线; | 可自动 复位 | Er30 | 慢 速 开 关 门 超 时 | 1、开关门限位信号故障或设置错 误; 2、脉冲编码器断线; | 1、检查关门限位信号; 2、检查编码器接线; | 可自动 复位 | Er31 | 开门受阻保护 | 1、轨道内有杂物; 2、开门受阻部分参数设置不合理; | 1、检查轨道内是否有杂物; 2、检查开门力矩上限是否 合理; 3、检查开门遇阻判定时间 是否合理; | 可自动 复位 | Er32 | 速度偏差保护 | 1、加减速过急,负载过重; 2、电机角度学习错误出现飞车; 3、速度偏差设定偏小、时间偏短; | 1、把加减速时间适当增大; 2、重新进行角度自学习; 3、更改 F516、F517 的值; 设置 F516(速度偏差设定) 为 0,即不检测速度偏差; |
|