电梯阁

 找回密码
 立即注册

QQ登录

只需一步,快速开始

手机号码,快捷登录

点击投放广告特种设备公示信息查询平台手机号无法登陆点这里点击投放广告点击投放广告
点击投放广告otis维修手册检验、检测年份速查表富士达故障代码计算器点击投放广告
查看: 97|回复: 0
收起左侧

通力电梯更换各型号电路板后需进行的操作(多图详解)

[复制链接]
发表于 2025-7-26 12:18 | 显示全部楼层 |阅读模式
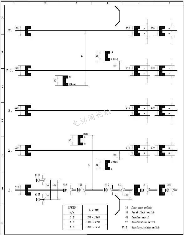
1 LCE井道信号装置的检查1.1 杆型探头
30 61:U/N 探头
126831803_2_20180310080439816.jpg
77U/N 探头
126831803_3_20180310080439988.jpg
杆型探头 30 61:U/N 组成电梯的门区 平层系统
杆型77U/N 组成电梯的终端减速系统,根据梯速需要加77:S
每一个探头都是由相对应的磁条触发
每调整一次探头的位置和磁条的位置都要做井道学习5-2-1
下面是探头的井道布置图和安装尺寸
126831803_4_20180310080440113.jpg
1.2U型感应器
126831803_5_20180310080440332.jpg
U 型感应器由 30 61:U/N 组成电梯的门区 平层系统
杆型77U/N 组成电梯的终端减速系统,根据梯速需要加77:S
U 型感应器由 U 型的铝板触发
每调整一次U型感应器和U型铝板的位置和磁条的位置都要做井道学习5-2-1
下面是U型感应器的井道布置图和安装尺寸
126831803_6_20180310080440769.jpg
126831803_7_20180310080440957.jpg
2 LCE通过参数修改楼层显示2.1操作界面的介绍
126831803_8_20180310080441113.jpg
2.2修改楼层显示
126831803_9_20180310080441222.jpg
126831803_10_20180310080441363.jpg
3LCE故障处理3.1读取故障
LCE
在操作界面上能显示控制系统和驱动系统的故障码,当前的故障能实时显示,故障排除后故障码能保存(最多99个),也可以清除全部故障E–1 读取存储的故障 E–2–1清除存储的故障
3.2故障处理
按照 LCE 操作界面显示的故障码,对照故障代码表排除故障.故障代码表见附件1

4LCE更换LCECPU(LCECPU561)4.1LCECPU板的类型
LCECPU 有三种: LCECPU20 LCECPU40 LCECPUnc
LCECPU20 LCECPU40 用于MINI
LCECPUnc 用于MONO SMONO TRANSYS
4.2更换LCECPU
126831803_11_20180310080441457.jpg
当LCECPU 板上的change board 红灯点亮及某个功能不能实现,确认电子板问题时,需要更换 LCECPU 板
更换部骤:
4.2.1 断电 拆掉LCECPU板前面的LCECAN板(如果有) 拔下所有连接插头,取下带黄色标签的 LCECPU D7 芯片(因为新板不带芯片)
4.2.2 拆掉固定螺丝取下旧板.
4.2.3 安装新板,安装螺丝固定
4.2.4 装回 LCECPU D7 芯片, 还原所有连接插头,装回LCECAN板.
4.2.5 送电 ,做 5-7-1 做 5-2-1
4.2.6 按照功能表设置所有菜单
4.2.7 快车运行,按功能表检查所有功能是否正常.

5LCE更换除LCECPU板之外的其他部件
当电子板上的change board 红灯点亮及某个功能不能实现确认电子板问题时,需要更换电子板,换板后,要确认全部功能正常.
5.1机房部份:LCEADO
126831803_12_20180310080441613.jpg
直接更换,不需要做设定
LCEOPT
126831803_13_20180310080441738.jpg
确认新板上的封插与旧板一致,做 5-7-1

LCEREC
126831803_14_20180310080441863.jpg
直接更换

LCEGTW
126831803_15_20180310080441926.jpg
更换后,做5-7-1

LCEGTWO
126831803_16_201803100804424.jpg
确保新板上的封插与旧板一致,更换后,作 5-7-1

LCECAN
126831803_17_2018031008044282.jpg
确保新板上的芯片版本与旧板一致

5.2轿厢部份
LCECCB

126831803_18_20180310080442176.jpg
更换完电子板后做 5-7-1

LCECOB
126831803_19_20180310080442254.jpg
更换电子板后做 5-7-1

LCECEB
126831803_20_20180310080442347.jpg
更换电子板后做 5-7-1

6LCE修改参数6.1菜单介绍
LCE 控制系统共有9个部份的菜单,如下:
E 故障显示
1 电梯参数
2 V3F16es 驱动的参数
3 楼层标志
4 显示
5 调试
6 驱动参数(根据驱动的不同 参数不一样)
7 电梯参数
8 外部群组参数
具体参数见附件2
6.2修改参数
参数需要修改时,根据电梯功能表,按照本资料的第 2.2 部份更改

7LCED7D8更换
126831803_21_20180310080442410.jpg
126831803_22_20180310080442519.jpg
7.1LCED7更换
当LCE D7 芯片需要升级或损坏时,更换 LCE D7 芯片
更换步骤:
7.1.1 断电,使用专用拔子,取下LCE D7 芯片
7.1.2 安装新的芯片,芯片的缺口要与电子板上的标记缺口位置一致。
7.1.3 做 5-7-1 做5-2-1
7.1.4 根据电梯功能表重新设置菜单
7.1.5 快车运行检查电梯功能。

7.2LCED8更换
当LCE D8 芯片损坏时,更换 LCE D8 芯片
更换步骤:
7.2.1 断电 拆掉金属面板
7.2.2 使用专用拔子 取下LCE D8 芯片
7.2.3 安装新的芯片 芯片的缺口要与电子板上的标记缺口位置一致。
7.2.4 做 5-7-1 做5-2-1
7.2.5 根据电梯功能表重新设置菜单
7.2.6 快车运行检查电梯功能。

您需要登录后才可以回帖 登录 | 立即注册

本版积分规则

免责声明:电梯阁所发布的一切电梯相关软件、调试说明、图纸等资料仅限用于学习和研究目的;不得将上述内容用于商业或者非法用途,否则,一切后果请用户自负。本站信息来自网络用户发表,版权争议与本站无关。您必须在下载后的24个小时之内,从您的硬盘中彻底删除上述内容。如果您喜欢该资料,请支持正版,得到更好的正版服务。如有侵权请邮件联系我们处理。

Mail To:diantige@126.com


关于我们|标签|Archiver|手机版|小黑屋|sitemap|电梯阁 ( 鲁ICP备10201653号 )

GMT+8, 2025-11-22 16:05 , Processed in 0.081427 second(s), 28 queries , Gzip On, Redis On.

Powered by 电梯阁

Copyright © 2017-2025. 电梯阁论坛.

快速回复 返回顶部 返回列表